ウルトラジョイントの挙動計測
ウルトラジョイントの3軸(XYZ方向)の変位を計測するために、3軸の変位計を開発!
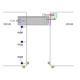
「ウルトラジョイントの挙動計測」についてご紹介いたします。 ウルトラジョイントの3軸(XYZ方向)の変位を計測するために、 3軸の変位計を開発しました。 この3軸変位センサは、東京測器の変位計(CE-10)を3個組み合わせた ものです。容量は10mm、分解能は1/500mmとなります。 【概要】 ■ウルトラジョイントの3軸(XYZ方向)の変位を計測するために、 3軸の変位計を開発 ■3軸変位センサは、東京測器の変位計(CE-10)を3個組み合わせたもの ■容量は10mm、分解能は1/500mm ※詳しくはPDFをダウンロードしていただくか、お気軽にお問い合わせください。
基本情報
※詳しくはPDFをダウンロードしていただくか、お気軽にお問い合わせください。
価格帯
納期
用途/実績例
※詳しくはPDFをダウンロードしていただくか、お気軽にお問い合わせください。
カタログ(3)
カタログをまとめてダウンロード取り扱い会社
当社は、構造物や地盤の計測をはじめ、各種データ解析により状況を 可視化し、計測技術や解析方法の創造および各種のシステム開発ができる 計測コンサルタントです。 動特性調査・計測管理業務・モニタリングシステムの構築・維持管理業務・ システム開発業務など、多岐にわたる領域において、常に革新的な技術開発と サービスを目指し、お客様のニーズに沿った解決法を提案しています。






























